| 操作 (operation) |
数量 (quantity) |
零件编号 (number) |
零件品号 (Product number) |
零件名称 (Product name) |
2284 用量 (Number of 2284 used) |
|---|---|---|---|---|---|
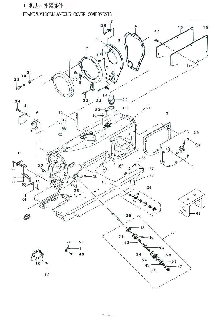
| 01 | 操作图章 OPERATION SEAL | 1 | |||
| 02 | PF22840102 | 机壳前盖板垫 GASKET | 1 | ||
| 03 | PF22840103 | 面板 FACE PLATE COMPL. | 1 | ||
| 04 | PF22840104 | 面板垫 GASKET OF FACE PLATE | 1 | ||
| 05 | PF22840105 | 松线窗盖板 TENSION RELEASE WINDOW PLATE | 1 | ||
| 06 | PF22840106 | 松线窗盖板垫 GASKET | 1 | ||
| 07 | PF22840107 | 平盖底座 BALANCE COVER BASE | 1 | ||
| 08 | PF22840108 | 平盖 BALANCE COVER | 1 | ||
| 09 | PF22840109 | 弹簧片 SPRING | 1 | ||
| 10 | 警告标牌 ATTENTION SEAL | 1 | |||
| 11 | PF22840111 | 挑线簧防护架 SPRING GUARD | 1 | ||
| 12 | PF19000752 | 导线板螺钉 SCREW 11/64-40 L=8 | 2 | ||
| 13 | PF22840113 | 导线柱 THREAD GUIDE PIN | 1 | ||
| 14 | PF22840114 | 面板线勾 SPRING GUARD | 1 | ||
| 15 | PF22840115 | 橡皮塞 RUBBER PLUG | 1 | ||
| 16 | PF22840716 | 橡皮塞 RUBBER PLUG | 1 | ||
| 17 | PF22840117 | 挑线割线刀 TAKE-UP THREAD CUTTER | 1 | ||
| 18 | PF22840118 | 后盖板 SIDE PLATE | 1 | ||
| 19 | PF22840119 | 后盖板垫 GASKET | 1 | ||
| 20 | PF888056D112 | 示油窗 OIL SIGHT WINDOW | 1 | ||
| 21 | PF22840121 | 限位橡皮 RUBBER STOPPER | 1 | ||
| 22 | PF22840122 | 橡皮塞 PLUG D=8 L=4.5 | 1 | ||
| 23 | PF22840716 | 橡皮塞 RUBBER PLUG | 1 | ||
| 24 | PF22840124 | 预张力夹线器组件 PRE-TENSION CONTROLLER ASM. | 1 | ||
| 25 | PF20521123 | 夹线器螺钉 SCREW 11/64-40 L=6.5 | 1 | ||
| 26 | PF2284050702 | 前盖板螺钉 SCREW 3/16-28 L=14 | 5 | ||
| 27 | PF5550637 | 面板螺钉 SCREW 11/64-40 L=8 | 7 | ||
| 28 | PF22840128 | 挑线割线刀螺钉 SCREW 1/8-44 L=3.8 | 1 | ||
| 29 | PF22840129 | 平盖铰链螺钉 HINGE SCREW D=6.35 H=7.5 | 1 | ||
| 30 | PF22840130 | 波形垫圈 WAVED WASHER 6.4×11×0.3 | 1 | ||
| 31 | PF22840131 | 平盖铰链垫圈 WASHER 6.5×11×1 | 1 | ||
| 32 | PF22840132 | 平盖底座固定螺钉 SCREW 11/64-40 L=9 | 2 | ||
| 33 | PF22840133 | 面板线勾螺钉 SCREW 9/64-40 L=7 | 1 | ||
| 34 | PF5550230 | 松线窗盖板螺钉 SCREW 3/16-28 L=6 | 4 | ||
| 35 | PF5550230 | 弹簧片螺钉 SCREW 3/16-28 L=6 | 1 | ||
| 36 | PF22840136 | 橡皮塞 DRIVING STOPPER RUBBER | 2 | ||
| 37 | PF22840115 | 橡皮塞 RUBBER PLUG | 1 | ||
| 38 | PF22840716 | 橡皮塞 PLUG | 1 | ||
| 39 | PF22840139 | 松线顶杆 THREAD RELEASE | 1 | ||
| 40 | PF22840140 | 导线板 BALANCE THREAD GUIDE | 1 | ||
| 41 | PF555016 | 后盖板螺钉 SCREW 3/16-28 L=10 | 1 | ||
| 42 | PF5550825 | 示油窗O形圈 RUBBER RING | 1 | ||
| 43 | PF22840143 | 挑线簧防护架螺钉 SCREW 9/64-40 L=3.5 | 1 | ||
| 44 | PF22840144 | 夹线器组件 THREAD TENSION ASM. | 1 | ||
| 45 | PF22840145 | 夹线螺母 TENSION NUT | 1 | ||
| 46 | PF22840146 | 夹线座螺钉 SCREW 9/64-40 L=5.5 | 1 | ||
| 47 | PF22840147 | 夹线螺母止动片 ROTATING STOPPER | 1 | ||
| 48 | PF22840148 | 松线钉 TENSION RELEASE PIN ASM. | 1 | ||
| 49 | PF22840149 | 夹线簧 TENSION SPRING | 1 | ||
| 50 | PF22840150 | 夹线盘组件 THREAD TENSION DISK COMPL. | 1 | ||
| 51 | PF22840151 | 夹线座 THREAD TENSION ROD ASM. | 1 | ||
| 52 | PF22840152 | 挑线簧 TAKE-UP SPRING | 1 | ||
| 53 | PF22840153 | 夹线螺钉 THREAD TENSION POST ASM. | 1 | ||
| 54 | PF22840154 | 毛毡 FELT | 2 | ||
| 55 | PF22840155 | 夹线板 TENSION DISC HOLDER | 1 | ||
| 56 | BZ3095 | 型号牌 MODEL PLATE | 1 | ||
| 57 | 铆钉 RIVET | 2 | |||
| 58 | PF22840147 | 机壳 ARM | 1 | ||
| 59 | PF22840148 | 底板 BED | 1 | ||
| 60 | PF2284014701 | 针杆摆动槽挡油板 ARM OIL SHIELD | 1 | ||
| 61 | PF2284014801 | 送料摇杆支架 FEED DRIVING ROCKER SUPPORT | 1 | ||
| 62 | PF22900167 | 护目镜安装板 GUARD VIEW INSTALLING BASE | 1 | ||
| 63 | PF22900166 | 护目镜安装支架 GUARD VIEW SUPPORT | 1 | ||
| 64 | PF22900165 | 护目镜 GUAER VIEW | 1 | ||
| 65 | PF22840304 | 护目镜安装板螺钉 SCREW 11/64-40 L=7.8 | 2 | ||
| 66 | PF555068 | 护目镜安装支架螺钉 SCREW 1/8-44 L4.5 | 1 | ||
| 67 | 垫片 WASHER | 1 | |||
| 68 | PF5550312 | 护目镜螺钉 SCREW 9/64-40 L=6 | 1 |
